深圳市百盛新紀元半導體有限公司,自成立以來,始終堅守誠信為本的原則,專注于半導體領域的技術創新與服務提升。我們專注于DC-DC升壓轉換芯片、降壓轉換芯片、MOS場效應管、LDO穩壓芯片、鋰電池充電管理芯片、鋰電池保護系統芯片、過壓過流保護芯片、電壓檢測芯片的研發與銷售,憑借多年的半導體銷售從業經驗和公司經驗豐富的FAE團隊,我們為客戶提供優質的產品和全方位的服務。
我們的產品廣泛應用于智能機器人、無線充、移動電源、無人機、安防監控、車載導航、行車記錄、暖手寶、補水儀、玩具等領域,以卓越的性能和穩定的品質贏得了客戶的廣泛贊譽。無論是產品的性能還是服務的質量,我們都力求做到最好,以滿足客戶不斷變化的需求。
百盛新紀元秉持倉儲式的經營理念,以誠信、感恩、服務為宗旨,致力于為客戶提供多元化、全方位的優質服務。我們深知,只有真正站在客戶的角度思考問題,才能贏得客戶的信賴和支持。因此,我們始終堅持用心服務,用心傾聽,用心滿足客戶的每一個需求。
PL2733C帶CC恒流3A車充IC,單口和雙口快充方案
詳情
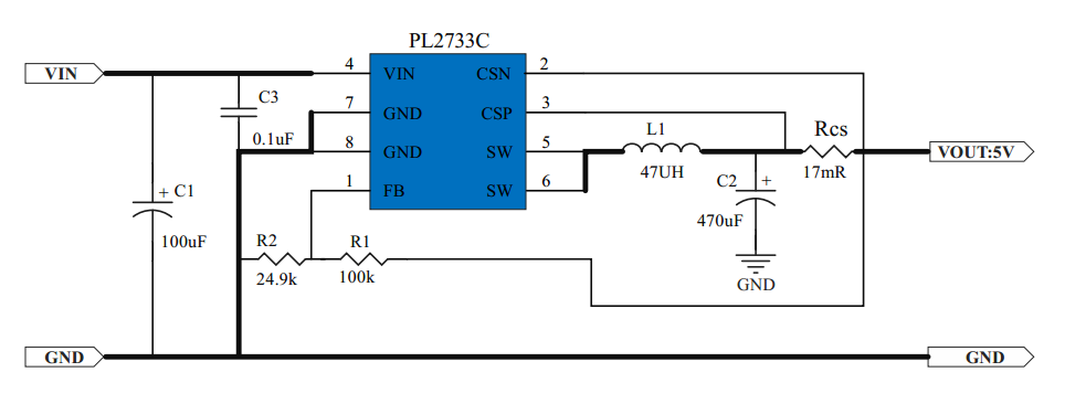
PL2733C是顆輸入6V-30V寬電壓輸入范圍的DC-DC降壓轉換器,可實現持續3A的連續電流輸出。通過1腳FB端的R1和R2阻值來調節輸出電壓,可以調節1.8V-28V之間的輸出電壓。
PL2733C具有CC恒流和CV恒壓特性,開關頻率130KHZ,具有良好的EMI特性。還帶有線材電壓的線電壓補償。
PL2733C具有輸入過壓保護,輸入電壓超過30V,將關閉輸出,低于30V恢復輸出。
過溫保護,輸出短路保護,SOP8標準封裝。
應用范圍: 車載充電器等

1, PL2733C +FP6601Q組成QC3.0/QC2.0 快速充電典型車充方案:
輸出:18W(5V3A,9V2A,12V1.5A)
支持:QC3.0,QC2.0,AFC,FCP,apple2.4A,BC1.2協議

PL2733C和FP6601Q的PCB正面 PL2733C和FP6601Q的PCB背面

2,PL2733C +FP6606C組成(USB TYPE C) PD3.0 /QC3.0快速充電車充方案:
輸出:18W(5V3A,9V2A,12V1.5A)
支持:PD3.0,QC3.0,QC2.0,AFC,FCP,apple2.4A,BC1.2協議

PL2733C和FP6606C的PCB正面 PL2733C和FP6606C的PCB背面

3 , PL2733C +FP6606AC 組成(USB TYPE C 和 USB TYPE A) 雙口車充電路:
輸出:任意一口充電時18W(5V3A,9V2A,12V1.5A),雙口充電時5V3A(15W)
支持:PD3.0(PD屬于USB C獨有),QC3.0,QC2.0,AFC,FCP,apple2.4A,BC1.2協議

2個板子組成,僅發C口部分,A口部分PCB無元件。

4, PL2733C +FP6601AA組成(USB TYPE A 和 USB TYPE A) 雙口車充電路:
輸出:任意一口充電時18W(5V3A,9V2A,12V1.5A),雙口充電時5V3A(15W)
支持: QC3.0,QC2.0,AFC,FCP,apple2.4A,BC1.2協議

PL2733C和FP6601AA的PCB正面 PL2733C和FP6601AA的PCB背面


深圳市百盛新紀元半導體有限公司
鄭曉曉
2851339680
13534212799 / 0755-6130 3950
郵箱:Parkson@szparkson.net
公司:深圳市福田區華強北賽格廣場24樓2405A
2020/05/12