深圳市百盛新紀元半導體有限公司,自成立以來,始終堅守誠信為本的原則,專注于半導體領域的技術創新與服務提升。我們專注于DC-DC升壓轉換芯片、降壓轉換芯片、MOS場效應管、LDO穩壓芯片、鋰電池充電管理芯片、鋰電池保護系統芯片、過壓過流保護芯片、電壓檢測芯片的研發與銷售,憑借多年的半導體銷售從業經驗和公司經驗豐富的FAE團隊,我們為客戶提供優質的產品和全方位的服務。
我們的產品廣泛應用于智能機器人、無線充、移動電源、無人機、安防監控、車載導航、行車記錄、暖手寶、補水儀、玩具等領域,以卓越的性能和穩定的品質贏得了客戶的廣泛贊譽。無論是產品的性能還是服務的質量,我們都力求做到最好,以滿足客戶不斷變化的需求。
百盛新紀元秉持倉儲式的經營理念,以誠信、感恩、服務為宗旨,致力于為客戶提供多元化、全方位的優質服務。我們深知,只有真正站在客戶的角度思考問題,才能贏得客戶的信賴和支持。因此,我們始終堅持用心服務,用心傾聽,用心滿足客戶的每一個需求。
NS6116輸入8-30V,輸出5V3A或QC3.0車充方案IC
詳情
NS6116 是支持高電壓輸入的同步降壓電源管理芯片, 在 8~30V 的寬輸入電壓范圍內可實現 3.1A的連續電流輸出。 通過調節 FB 端口的分壓電阻,可以輸出 1.8V 到 28V 的穩定電壓。 NS6116 具有優秀的負載調整率和線電壓調整率, 在全范圍內不超過±3%。 NS6116 采用電流模式的環路控制原理, 實現了快速的動態響應。 NS6116 工作開關頻率為130kHz, 具有良好的 EMI 特性。
NS6116 內置線電壓補償, 可通過調節 FB 端口的分壓電阻阻值來實現。 NS6116 不僅可實現單芯片降壓電源管理方案, 還可以與 QC2.0/ QC3.0 識別芯片構成快速充電電源管理方案。 另外, 芯片包含多重保護功能: 過溫保護, 輸出短路保護和輸入欠壓/過壓保護等。NS6116 采用 SOP8 的標準封裝。
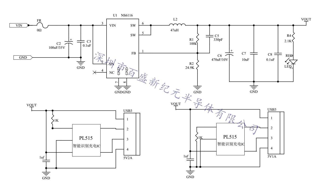
NS6116單口QC3.0智能識別車充原理圖:
支持充電協議:QC3.0,QC2.0
華為FCP
三星AFC
蘋果5V1A,5V2A,5V2.4A
三星5V2A
BC1.2協議

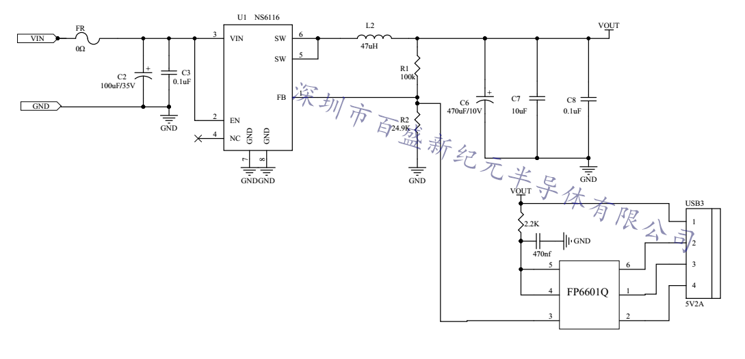
NS6116雙口2A+1A,帶智能識別充電車充原理圖:
智能識別充電協議: 蘋果5V1A,5V2A,5V2.4A
三星5V2A
BC1.2協議

NS6116效率測試
VIN VOUT
電壓(V)電流(A) 電壓(V)電流(A) 效率(%)
12.00 0.92 5.17 2.00 93.65
24.00 0.46 5.10 2.00 92.39
12.00 1.47 5.44 3.00 92.51
24.00 0.73 5.35 3.00 92.39
12.00 1.64 9.52 2.00 96.74
24.00 0.84 9.59 2.00 95.13
12.00 1.50 11.87 1.50 98.91
24.00 0.79 12.13 1.50 95.96
PCB方案



深圳市百盛新紀元半導體有限公司
鄭曉曉
3530216696
13534212799 / 0755-82570180
郵箱:Parkson@szparkson.net
公司:深圳市福田區華強北賽格廣場24樓2405A