十一年優秀供應商
深圳市百盛新紀元半導體有限公司,自成立以來,始終堅守誠信為本的原則,專注于半導體領域的技術創新與服務提升。我們專注于DC-DC升壓轉換芯片、降壓轉換芯片、MOS場效應管、LDO穩壓芯片、鋰電池充電管理芯片、鋰電池保護系統芯片、過壓過流保護芯片、電壓檢測芯片的研發與銷售,憑借多年的半導體銷售從業經驗和公司經驗豐富的FAE團隊,我們為客戶提供優質的產品和全方位的服務。
我們的產品廣泛應用于智能機器人、無線充、移動電源、無人機、安防監控、車載導航、行車記錄、暖手寶、補水儀、玩具等領域,以卓越的性能和穩定的品質贏得了客戶的廣泛贊譽。無論是產品的性能還是服務的質量,我們都力求做到最好,以滿足客戶不斷變化的需求。
百盛新紀元秉持倉儲式的經營理念,以誠信、感恩、服務為宗旨,致力于為客戶提供多元化、全方位的優質服務。我們深知,只有真正站在客戶的角度思考問題,才能贏得客戶的信賴和支持。因此,我們始終堅持用心服務,用心傾聽,用心滿足客戶的每一個需求。

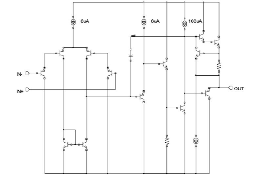
EG358雙運算放大器:單雙電源通用,適用于廣泛音頻與工業應用
詳情
芯片描述
EG358是由兩個獨立的高增益運算放大器組成。可以是單電源工作,也可以是雙電源工作,電源的功耗電流與電源電壓大小無關。應用范圍包括音頻放大器、工業控制、DC增益部件和所有常規運算放大電路
可單電源或雙電源工作 包含兩個運算放大器 邏輯電路匹配 內部頻率補償 短路保護輸出 功耗小 頻率范圍寬 DIP8/SOP8封裝 便攜式DVD 電池充電器 穩壓電源芯片特點
應用領域
聯系我們(公司至今已銷售IC十五年)
深圳市百盛新紀元半導體有限公司
鄭曉曉
2851339680
13534212799 / 0755-6130 3950
郵箱:Parkson@szparkson.net
公司:深圳市福田區華強北賽格廣場24樓2405A
Update Required
To play the media you will need to either update your browser to a recent version or update your Flash plugin.