深圳市百盛新紀元半導體有限公司,自成立以來,始終堅守誠信為本的原則,專注于半導體領域的技術創新與服務提升。我們專注于DC-DC升壓轉換芯片、降壓轉換芯片、MOS場效應管、LDO穩壓芯片、鋰電池充電管理芯片、鋰電池保護系統芯片、過壓過流保護芯片、電壓檢測芯片的研發與銷售,憑借多年的半導體銷售從業經驗和公司經驗豐富的FAE團隊,我們為客戶提供優質的產品和全方位的服務。
我們的產品廣泛應用于智能機器人、無線充、移動電源、無人機、安防監控、車載導航、行車記錄、暖手寶、補水儀、玩具等領域,以卓越的性能和穩定的品質贏得了客戶的廣泛贊譽。無論是產品的性能還是服務的質量,我們都力求做到最好,以滿足客戶不斷變化的需求。
百盛新紀元秉持倉儲式的經營理念,以誠信、感恩、服務為宗旨,致力于為客戶提供多元化、全方位的優質服務。我們深知,只有真正站在客戶的角度思考問題,才能贏得客戶的信賴和支持。因此,我們始終堅持用心服務,用心傾聽,用心滿足客戶的每一個需求。

EG27324:高性價比雙路獨立驅動芯片,帶SD功能,優化電機與電源應用
詳情
芯片描述
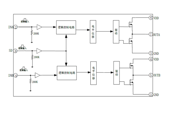
EG27324是一款高性價比、帶SD功能的雙路獨立驅動專用芯片。內部集成了邏輯信號輸入處理電路、電平位移電路、輸出驅動電路,用于電機控制器、電源、變壓器中的驅動電路。
EG27324的電源電壓范圍寬2.8V~20V,靜態功耗小于1uA。該芯片輸入通道INA以及INB各內建了一個200K下拉電阻;SD內建了一個200K下拉電阻,在SD輸入懸空時,不影響OUTA與OUTB的輸出;輸出電流能力IO+/-2/2.5A;采用SOP8封裝。
適應5V、3.3V輸入電壓 VCC電壓范圍2.8V-20V 輸出電流能力IO+/-2A/2.5A 輸入輸出延時短 SD輸入通道高電平有效,關閉HO、LO輸出。 外圍器件少 靜態電流小于1uA,非常適合電池場合 封裝形式:SOP-8 移動電源 變頻水泵控制器 電源 無線充電驅動器 電機驅動器 驅動變壓器芯片特點
應用領域
深圳市百盛新紀元半導體有限公司
鄭曉曉
2851339680
13534212799 / 0755-6130 3950
郵箱:Parkson@szparkson.net
公司:深圳市福田區華強北賽格廣場24樓2405A