深圳市百盛新紀元半導體有限公司,自成立以來,始終堅守誠信為本的原則,專注于半導體領域的技術創新與服務提升。我們專注于DC-DC升壓轉換芯片、降壓轉換芯片、MOS場效應管、LDO穩壓芯片、鋰電池充電管理芯片、鋰電池保護系統芯片、過壓過流保護芯片、電壓檢測芯片的研發與銷售,憑借多年的半導體銷售從業經驗和公司經驗豐富的FAE團隊,我們為客戶提供優質的產品和全方位的服務。
我們的產品廣泛應用于智能機器人、無線充、移動電源、無人機、安防監控、車載導航、行車記錄、暖手寶、補水儀、玩具等領域,以卓越的性能和穩定的品質贏得了客戶的廣泛贊譽。無論是產品的性能還是服務的質量,我們都力求做到最好,以滿足客戶不斷變化的需求。
百盛新紀元秉持倉儲式的經營理念,以誠信、感恩、服務為宗旨,致力于為客戶提供多元化、全方位的優質服務。我們深知,只有真正站在客戶的角度思考問題,才能贏得客戶的信賴和支持。因此,我們始終堅持用心服務,用心傾聽,用心滿足客戶的每一個需求。

EG3002:寬電壓范圍、低功耗的MOSFET管專用驅動芯片
詳情
芯片描述
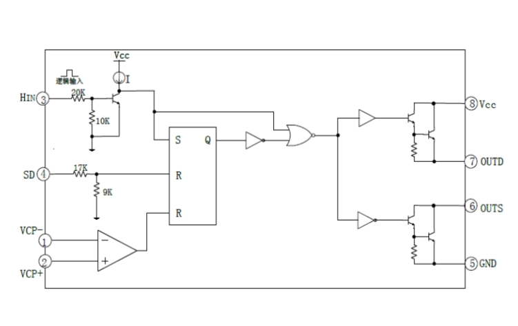
EG3002是一款單通道高性價比的功率MOSFET管或大功率雙極性晶體管門極或基極驅動專用芯片,內部集成了輸入邏輯信號處理電路、快速比較器、SD快速關斷處理電路及大電流輸出驅動電路,專用于電源轉換器及電機控制器等的功率MOSFET管驅動器。EG3002電源電壓范圍寬3V~30V,靜態功耗低僅2mA,輸出結構具有獨立的源出電流OUTD端和吸入電流OUTS端引腳,可以用來獨立地調節輸入到MOSFET管G極的上升沿時間和下降沿時間。
源出峰值驅動電流達1A和吸入峰值驅動電流達1.2A 寬電壓輸入范圍:+3V-+30V 輸入端IN可承受最高為+30V的輸入電壓 低輸入供電電流: 邏輯1輸入—200uA(典型值) 邏輯0輸入—0uA(典型值) 獨立的拉電流和灌電流輸出結構可獨立調節上升沿和下降沿時間 SD引腳實現逐周關斷控制,可用于短路或過流保護處理電路 內置快速比較器,應用時可以省掉外部短路保護比較器 封裝形式:SOP-8 電機驅動器 逆變器 步進電機驅動 DC/DC轉換器 驅動大功率雙極型晶體管 UPS不間斷電源 Class-D功率放大器 開關電源 脈沖變壓器驅動器 無刷風扇芯片特點
應用領域
深圳市百盛新紀元半導體有限公司
鄭曉曉
2851339680
13534212799 / 0755-6130 3950
郵箱:Parkson@szparkson.net
公司:深圳市福田區華強北賽格廣場24樓2405A