深圳市百盛新紀元半導體有限公司,自成立以來,始終堅守誠信為本的原則,專注于半導體領域的技術創新與服務提升。我們專注于DC-DC升壓轉換芯片、降壓轉換芯片、MOS場效應管、LDO穩壓芯片、鋰電池充電管理芯片、鋰電池保護系統芯片、過壓過流保護芯片、電壓檢測芯片的研發與銷售,憑借多年的半導體銷售從業經驗和公司經驗豐富的FAE團隊,我們為客戶提供優質的產品和全方位的服務。
我們的產品廣泛應用于智能機器人、無線充、移動電源、無人機、安防監控、車載導航、行車記錄、暖手寶、補水儀、玩具等領域,以卓越的性能和穩定的品質贏得了客戶的廣泛贊譽。無論是產品的性能還是服務的質量,我們都力求做到最好,以滿足客戶不斷變化的需求。
百盛新紀元秉持倉儲式的經營理念,以誠信、感恩、服務為宗旨,致力于為客戶提供多元化、全方位的優質服務。我們深知,只有真正站在客戶的角度思考問題,才能贏得客戶的信賴和支持。因此,我們始終堅持用心服務,用心傾聽,用心滿足客戶的每一個需求。

EG2131:專為無刷電機控制器設計的高性能大功率MOS/IGBT柵極驅動芯片,寬電壓范圍與低功耗特性
詳情
芯片描述
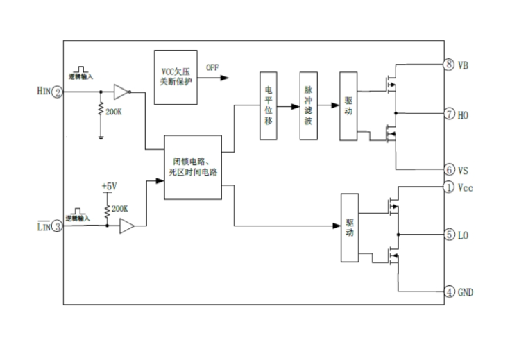
EG2131是一款高性價比的大功率MOS管、IGBT管柵極驅動專用芯片,內部集成了邏輯信號輸入處理電路、死區時控制電路、欠壓關斷電路、閉鎖電路、電平位移電路、脈沖濾波電路及輸出驅動電路,專用于無刷電機控制器中的驅動電路。EG2131高端的工作電壓可達300V,低端Vcc的電源電壓范圍寬11V~20V,靜態功耗小于100uA。該芯片具有閉鎖功能防止輸出功率管同時導通,輸入通道HIN內建了一個200K下拉電阻,LIN______內建了上拉5V高電位,在輸入懸空時使上、下功率MOS管處于關閉狀態,輸出電流能力IO+/-1/1.5A,采用SOP8封裝。
高端懸浮自舉電源設計,耐壓可達300V 適應5V、3.3V輸入電壓 最高頻率支持500KHZ 低端VCC欠壓關斷輸出 輸出電流能力IO+/-1A/1.5A 內建死區控制電路 自帶閉鎖功能,徹底杜絕上、下管輸出同時導通 HIN輸入通道高電平有效,控制高端HO輸出 LIN______輸入通道低電平有效,控制低端LO輸出 外圍器件少 封裝形式:SOP-8 移動電源高壓快充開關電源 電動車控制器 變頻水泵控制器 300V降壓型開關電源 無刷電機驅動器 高壓Class-D類功放芯片特點
應用領域
深圳市百盛新紀元半導體有限公司
鄭曉曉
2851339680
13534212799 / 0755-6130 3950
郵箱:Parkson@szparkson.net
公司:深圳市福田區華強北賽格廣場24樓2405A