深圳市百盛新紀元半導體有限公司,自成立以來,始終堅守誠信為本的原則,專注于半導體領域的技術創新與服務提升。我們專注于DC-DC升壓轉換芯片、降壓轉換芯片、MOS場效應管、LDO穩壓芯片、鋰電池充電管理芯片、鋰電池保護系統芯片、過壓過流保護芯片、電壓檢測芯片的研發與銷售,憑借多年的半導體銷售從業經驗和公司經驗豐富的FAE團隊,我們為客戶提供優質的產品和全方位的服務。
我們的產品廣泛應用于智能機器人、無線充、移動電源、無人機、安防監控、車載導航、行車記錄、暖手寶、補水儀、玩具等領域,以卓越的性能和穩定的品質贏得了客戶的廣泛贊譽。無論是產品的性能還是服務的質量,我們都力求做到最好,以滿足客戶不斷變化的需求。
百盛新紀元秉持倉儲式的經營理念,以誠信、感恩、服務為宗旨,致力于為客戶提供多元化、全方位的優質服務。我們深知,只有真正站在客戶的角度思考問題,才能贏得客戶的信賴和支持。因此,我們始終堅持用心服務,用心傾聽,用心滿足客戶的每一個需求。

EG2136三相柵極驅動電路:高效驅動N型功率MOSFET與IGBT,集成多重安全保護功能
詳情
芯片描述
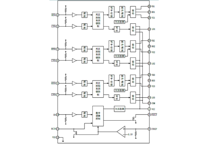
EG2136是用作N型功率MOSFET和IGBT等高壓、高速功率器件的三相柵極驅動電路,主要包含三個獨立的半橋驅動電路。內置死區時間,可確保功率管上下橋臂不會同時導通。內置輸入信號濾波,防止噪聲干擾。提供外部使能控制可同時關斷六通道輸出。此外,它還具有欠壓保護和過流保護功能,出現異常時立即關斷六通道輸出。
高端懸浮自舉電源設計,耐壓可達600V 適應5V或者3.3V輸入電壓 輸出電流能力+0.2A/-0.35A 欠壓保護 使能控制 輸入輸出相反 外部設置清理時間 高低端通道匹配 過流保護關斷六通道輸出 集成三個獨立的半橋驅動器 內建死區控制電路 自帶閉鎖功能,徹底杜絕上、下管輸出同時導通 封裝形式:SOP28L 三相電機驅動 DC-AC逆變 開關電源 空調、冰箱、洗衣機芯片特點
應用領域
深圳市百盛新紀元半導體有限公司
鄭曉曉
2851339680
13534212799 / 0755-6130 3950
郵箱:Parkson@szparkson.net
公司:深圳市福田區華強北賽格廣場24樓2405A