深圳市百盛新紀元半導體有限公司,自成立以來,始終堅守誠信為本的原則,專注于半導體領域的技術創新與服務提升。我們專注于DC-DC升壓轉換芯片、降壓轉換芯片、MOS場效應管、LDO穩壓芯片、鋰電池充電管理芯片、鋰電池保護系統芯片、過壓過流保護芯片、電壓檢測芯片的研發與銷售,憑借多年的半導體銷售從業經驗和公司經驗豐富的FAE團隊,我們為客戶提供優質的產品和全方位的服務。
我們的產品廣泛應用于智能機器人、無線充、移動電源、無人機、安防監控、車載導航、行車記錄、暖手寶、補水儀、玩具等領域,以卓越的性能和穩定的品質贏得了客戶的廣泛贊譽。無論是產品的性能還是服務的質量,我們都力求做到最好,以滿足客戶不斷變化的需求。
百盛新紀元秉持倉儲式的經營理念,以誠信、感恩、服務為宗旨,致力于為客戶提供多元化、全方位的優質服務。我們深知,只有真正站在客戶的角度思考問題,才能贏得客戶的信賴和支持。因此,我們始終堅持用心服務,用心傾聽,用心滿足客戶的每一個需求。

EG1166雙管正激電源管理芯片:600V半橋驅動,集成多重保護,適用于高壓大電流應用
詳情
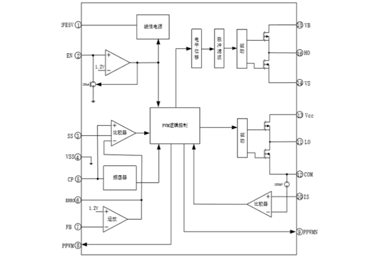
芯片描述
EG1166是一款集成600V半橋驅動的雙管正激電源管理芯片,內部集成基準電源、振蕩器、誤差放大器、限流保護、短路保護、半橋驅動、主動同步整流等功能,非常適合高壓大電流場合應用。
芯片特點
雙管正激專用電源芯片。
外接一個電容可設置工作頻率(0-300KHz)
內置5V基準電壓
UVLO欠壓鎖定功能:
Vcc引腳端的開啟電壓16.5V
Vcc引腳端的關閉電壓8V
逐周限流控制
主動同步整流控制
內置軟啟動電路
集成600V半橋驅動,可以直接驅動MOS管
封裝形式:SOP16
應用領域
工業電源
LED屏幕
電池充電器
工業控制系統
電信電源系統
隔離DC-DC
逆變器電源
深圳市百盛新紀元半導體有限公司
鄭曉曉
2851339680
13534212799 / 0755-6130 3950
郵箱:Parkson@szparkson.net
公司:深圳市福田區華強北賽格廣場24樓2405A