深圳市百盛新紀元半導體有限公司,自成立以來,始終堅守誠信為本的原則,專注于半導體領域的技術創新與服務提升。我們專注于DC-DC升壓轉換芯片、降壓轉換芯片、MOS場效應管、LDO穩壓芯片、鋰電池充電管理芯片、鋰電池保護系統芯片、過壓過流保護芯片、電壓檢測芯片的研發與銷售,憑借多年的半導體銷售從業經驗和公司經驗豐富的FAE團隊,我們為客戶提供優質的產品和全方位的服務。
我們的產品廣泛應用于智能機器人、無線充、移動電源、無人機、安防監控、車載導航、行車記錄、暖手寶、補水儀、玩具等領域,以卓越的性能和穩定的品質贏得了客戶的廣泛贊譽。無論是產品的性能還是服務的質量,我們都力求做到最好,以滿足客戶不斷變化的需求。
百盛新紀元秉持倉儲式的經營理念,以誠信、感恩、服務為宗旨,致力于為客戶提供多元化、全方位的優質服務。我們深知,只有真正站在客戶的角度思考問題,才能贏得客戶的信賴和支持。因此,我們始終堅持用心服務,用心傾聽,用心滿足客戶的每一個需求。

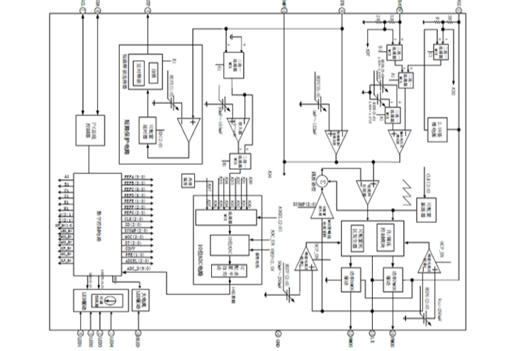
EG1501芯片:集高精度基準電壓源、寬頻振蕩器及多功能控制模塊于一體的解決方案
詳情
芯片描述
EG1501芯片內置了高精度2.5V基準電壓源、可配置42KHz~500KHz寬頻率振蕩器、可配置多路誤差放大器、Buck/Boost降升壓開關電源控制模塊、8通道輸入10位ADC模數轉換器、I2C總線控制器、數字電路控制模塊、LED恒流驅動器及功率MOS管驅動器等。
EG1501是一款模擬和數字結合的可編程開關電源芯片,具有功耗低、靈活性強,外接一個低廉的8腳單片機(無需具備ADC功能),既能實現高端的電源管理系統,非常適合于移動設備及電池管理的應用場合。
芯片特點
模擬電路和數字電路結合的可編程開關電源芯片
芯片內置加密ID碼,保護客戶MCU開發的程序
內置Buck降壓模塊,Boost升壓模塊和功率PMOS及NMOS驅動器,驅動電流±100mA
模擬電路組成開關電源的電壓環、電流環及逐周限流等功能
數字電路配置模擬環的基準值后,自動完成穩壓、恒流、限流和短路保護功能
可配置同步續流功能
可配置MOS管死區時間發生器,可調死區范圍:30nS~350nS
2.5V基準電壓源,精度±1%
可配置PWM時鐘振蕩器,可設范圍:42KHz~500KHz
2路可配置逐周限流比較器,有效保護功率PMOS和NMOS的峰值電流,可設范圍:50mV~250mV
1路可配置電壓環運放基準,可設范圍:4.2V~5.5V
1路可配置恒流環運放基準,可設范圍:1mV~122mV
1路可配置電流環放大器及斜波補償電路
可配置短路保護控制器,配置短路檢測延時時間及釋放方式,延時時間可設范圍:3uS~213uS
外部MCU通過I2C總線對芯片內部寄存器進行配置
8通道輸入,10位ADC模數轉換器,1路可選可配置增益輸入前級放大器
內置芯片溫度傳感器,支持外部MCU讀取芯片內部溫度
4路可配置LED恒流驅動器,無需外接限流電阻,恒流可設范圍:0.5mA~6mA
1路大功率LED驅動器,外接一個限流電阻,最大電流100mA
工作電壓范圍寬:+2.5V~+5.5V
封裝形式:SOP16
應用領域
手機移動電源
電動車智能和非智能充電器
鋰電池充電器
Buck降壓電源
移動設備電源系統
Boost升壓電源
AC/DC開關電源
可編程數字電源
深圳市百盛新紀元半導體有限公司
鄭曉曉
2851339680
13534212799 / 0755-6130 3950
郵箱:Parkson@szparkson.net
公司:深圳市福田區華強北賽格廣場24樓2405A