深圳市百盛新紀元半導體有限公司,自成立以來,始終堅守誠信為本的原則,專注于半導體領域的技術創新與服務提升。我們專注于DC-DC升壓轉換芯片、降壓轉換芯片、MOS場效應管、LDO穩壓芯片、鋰電池充電管理芯片、鋰電池保護系統芯片、過壓過流保護芯片、電壓檢測芯片的研發與銷售,憑借多年的半導體銷售從業經驗和公司經驗豐富的FAE團隊,我們為客戶提供優質的產品和全方位的服務。
我們的產品廣泛應用于智能機器人、無線充、移動電源、無人機、安防監控、車載導航、行車記錄、暖手寶、補水儀、玩具等領域,以卓越的性能和穩定的品質贏得了客戶的廣泛贊譽。無論是產品的性能還是服務的質量,我們都力求做到最好,以滿足客戶不斷變化的需求。
百盛新紀元秉持倉儲式的經營理念,以誠信、感恩、服務為宗旨,致力于為客戶提供多元化、全方位的優質服務。我們深知,只有真正站在客戶的角度思考問題,才能贏得客戶的信賴和支持。因此,我們始終堅持用心服務,用心傾聽,用心滿足客戶的每一個需求。

EG1186:高壓大電流DC-DC電源管理芯片,支持高達600V輸入
詳情
芯片描述
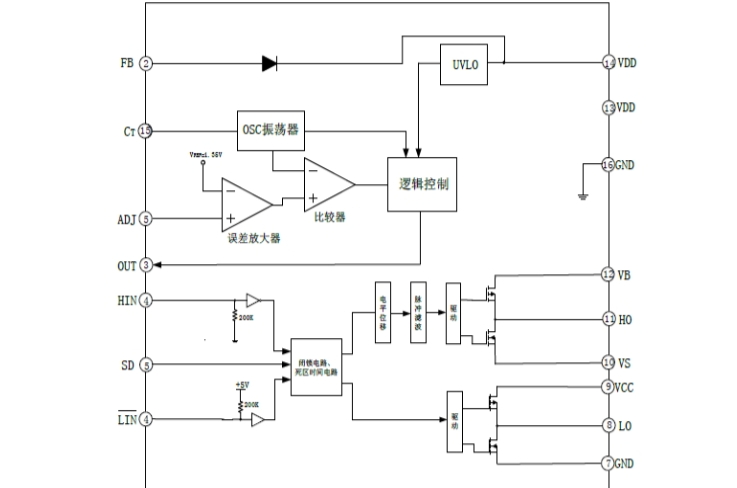
EG1186是一款高壓大電流降壓型DC-DC電源管理芯片,內部集成基準電源、振蕩器、誤差放大器、限流保護、短路保護、半橋驅動等功能,非常適合高壓大電流場合應用,配合外部高壓MOS管最高能支持600V電源電壓輸入。
同步續流方案,支持高壓大電流方案。 外接一個電容可設置工作頻率(10KHz-100KHz) UVLO欠壓鎖定功能: Vcc引腳端的開啟電壓6.5V Vcc引腳端的關閉電壓3.5V UVLO遲滯電壓為3V 逐周限流控制 輸出短路保護 封裝形式:SOP16 電動摩托車轉換器 電動自行車轉換器 高壓模擬/數字系統 工業控制系統 電信電源系統 以太網POE 便攜式移動設備 逆變器系統芯片特點
應用領域
深圳市百盛新紀元半導體有限公司
鄭曉曉
2851339680
13534212799 / 0755-6130 3950
郵箱:Parkson@szparkson.net
公司:深圳市福田區華強北賽格廣場24樓2405A