深圳市百盛新紀元半導體有限公司,自成立以來,始終堅守誠信為本的原則,專注于半導體領域的技術創新與服務提升。我們專注于DC-DC升壓轉換芯片、降壓轉換芯片、MOS場效應管、LDO穩壓芯片、鋰電池充電管理芯片、鋰電池保護系統芯片、過壓過流保護芯片、電壓檢測芯片的研發與銷售,憑借多年的半導體銷售從業經驗和公司經驗豐富的FAE團隊,我們為客戶提供優質的產品和全方位的服務。
我們的產品廣泛應用于智能機器人、無線充、移動電源、無人機、安防監控、車載導航、行車記錄、暖手寶、補水儀、玩具等領域,以卓越的性能和穩定的品質贏得了客戶的廣泛贊譽。無論是產品的性能還是服務的質量,我們都力求做到最好,以滿足客戶不斷變化的需求。
百盛新紀元秉持倉儲式的經營理念,以誠信、感恩、服務為宗旨,致力于為客戶提供多元化、全方位的優質服務。我們深知,只有真正站在客戶的角度思考問題,才能贏得客戶的信賴和支持。因此,我們始終堅持用心服務,用心傾聽,用心滿足客戶的每一個需求。

EG4361:充電器定時控制專家,電動車充電更安心
詳情
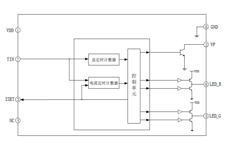
芯片描述EG4361是一款充電器專用的定時功能控制芯片,內部集成了總定時計數器、電流定時計數器等,專用于電動車充電器、電池充電器等場合。
EG4361電源工作電壓為+3V~+5.5V,采用CMOS工藝的集成電路,8個引腳數封裝設計,降低了外圍電路元件數和整體成本,節省了PCB板空間。
芯片特點
靜態電流小<2mA
總定時時間:10小時,也可根據客戶設定
電流定時時間:3小時,也可根據客戶設定
外圍元器件少,成本低
工作電源+3V~+5.5V
封裝形式:SOP8和DIP8
應用領域
電動車充電器
電池充電器
靜態電流小<2mA
總定時時間:10小時,也可根據客戶設定
電流定時時間:3小時,也可根據客戶設定
外圍元器件少,成本低
工作電源+3V~+5.5V
封裝形式:SOP8和DIP8
電動車充電器
電池充電器
深圳市百盛新紀元半導體有限公司
鄭曉曉
2851339680
13534212799 / 0755-6130 3950
郵箱:Parkson@szparkson.net
公司:深圳市福田區華強北賽格廣場24樓2405A