深圳市百盛新紀元半導體有限公司,自成立以來,始終堅守誠信為本的原則,專注于半導體領域的技術創新與服務提升。我們專注于DC-DC升壓轉換芯片、降壓轉換芯片、MOS場效應管、LDO穩壓芯片、鋰電池充電管理芯片、鋰電池保護系統芯片、過壓過流保護芯片、電壓檢測芯片的研發與銷售,憑借多年的半導體銷售從業經驗和公司經驗豐富的FAE團隊,我們為客戶提供優質的產品和全方位的服務。
我們的產品廣泛應用于智能機器人、無線充、移動電源、無人機、安防監控、車載導航、行車記錄、暖手寶、補水儀、玩具等領域,以卓越的性能和穩定的品質贏得了客戶的廣泛贊譽。無論是產品的性能還是服務的質量,我們都力求做到最好,以滿足客戶不斷變化的需求。
百盛新紀元秉持倉儲式的經營理念,以誠信、感恩、服務為宗旨,致力于為客戶提供多元化、全方位的優質服務。我們深知,只有真正站在客戶的角度思考問題,才能贏得客戶的信賴和支持。因此,我們始終堅持用心服務,用心傾聽,用心滿足客戶的每一個需求。

EG4313:高精度恒流恒壓控制,賦能SMPS電源與電池充電器
詳情
芯片描述
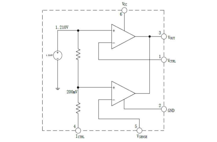
EG4313是一款恒壓恒流控制芯片,專用于高精度恒流恒壓的SMPS電源及電池充電器系統。
EG4313內部集成了一個1.21V基準電壓源、兩個集成運算放大器及一個電流采樣電路。1.21V基準電壓源與集成運算放大器組成一個精準的電壓控制電路,用戶可以通過設置兩個外部電阻的大小來調節出所需要的輸出電壓;同時電流采樣電路與另外一個集成運算放大器組成一個精準的電流控制電路,用戶可以通過設置一個外部電阻的大小來調節最大限流電流,使整個系統控制在恒壓/恒流下工作,以避免因電流過大或電壓過高而造成整個系統的損壞。
恒壓和恒流控制 精確的內部電壓基準 很少的外部元件 易于補償 低電源電流:0.6mA 工作溫度范圍:-40℃~105℃ 適配器 手機充電器 數碼相機充電器 各類電池充電器芯片特點
應用領域
深圳市百盛新紀元半導體有限公司
鄭曉曉
2851339680
13534212799 / 0755-6130 3950
郵箱:Parkson@szparkson.net
公司:深圳市福田區華強北賽格廣場24樓2405A