深圳市百盛新紀元半導體有限公司,自成立以來,始終堅守誠信為本的原則,專注于半導體領域的技術創新與服務提升。我們專注于DC-DC升壓轉換芯片、降壓轉換芯片、MOS場效應管、LDO穩壓芯片、鋰電池充電管理芯片、鋰電池保護系統芯片、過壓過流保護芯片、電壓檢測芯片的研發與銷售,憑借多年的半導體銷售從業經驗和公司經驗豐富的FAE團隊,我們為客戶提供優質的產品和全方位的服務。
我們的產品廣泛應用于智能機器人、無線充、移動電源、無人機、安防監控、車載導航、行車記錄、暖手寶、補水儀、玩具等領域,以卓越的性能和穩定的品質贏得了客戶的廣泛贊譽。無論是產品的性能還是服務的質量,我們都力求做到最好,以滿足客戶不斷變化的需求。
百盛新紀元秉持倉儲式的經營理念,以誠信、感恩、服務為宗旨,致力于為客戶提供多元化、全方位的優質服務。我們深知,只有真正站在客戶的角度思考問題,才能贏得客戶的信賴和支持。因此,我們始終堅持用心服務,用心傾聽,用心滿足客戶的每一個需求。

EG4328:低功耗可編程電源管理芯片,引領智能化電池管理新紀元
詳情
芯片描述
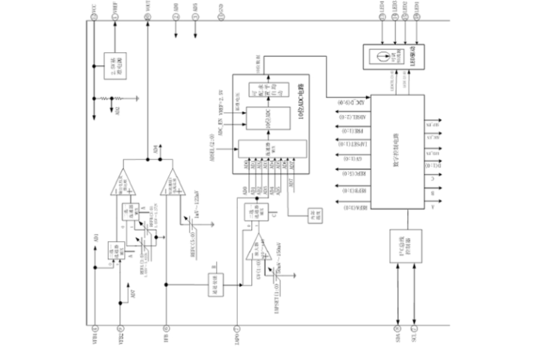
EG4328芯片內置了高精度2.5V基準電壓源、可配置多路誤差放大器、8通道輸入10位ADC模數轉換器、I2C總線控制器、數字電路控制模塊、LED恒流驅動器等。EG4328是一款模擬和數字結合的可編程電源管理芯片,具有功耗低、靈活性強,外接一個低廉的8腳單片機(無需具備ADC功能),既能實現高端的電源管理系統,非常適合于智能化電池管理的應用場合。
模擬電路和數字電路結合的可編程開關電源芯片 芯片內置加密ID碼,保護客戶MCU開發的程序 模擬電路組成開關電源的電壓環、電流環功能 數字電路配置模擬環的基準值后,自動完成穩壓、恒流功能 2.5V基準電壓源,精度±1% 1路可配置電壓環運放基準,可設范圍:1.05V~1.425V 1路可配置恒流環運放基準,可設范圍:1mV~488mV 外部MCU通過I2C總線對芯片內部寄存器進行配置 8通道輸入,10位ADC模數轉換器,1路可選可配置增益輸入前級放大器 內置芯片溫度傳感器,支持外部MCU讀取芯片內部溫度 4路可配置LED恒流驅動器,無需外接限流電阻,恒流可設范圍:0.5mA~6mA 工作電壓范圍寬:+2.5V~+5.5V 封裝形式:SOP16 電動車智能和非智能充電器 Boost升壓電源 鋰電池充電器 AC/DC開關電源 Buck降壓電源 可編程數字電源芯片特點
應用領域
深圳市百盛新紀元半導體有限公司
鄭曉曉
2851339680
13534212799 / 0755-6130 3950
郵箱:Parkson@szparkson.net
公司:深圳市福田區華強北賽格廣場24樓2405A