十一年優秀供應商
深圳市百盛新紀元半導體有限公司,自成立以來,始終堅守誠信為本的原則,專注于半導體領域的技術創新與服務提升。我們專注于DC-DC升壓轉換芯片、降壓轉換芯片、MOS場效應管、LDO穩壓芯片、鋰電池充電管理芯片、鋰電池保護系統芯片、過壓過流保護芯片、電壓檢測芯片的研發與銷售,憑借多年的半導體銷售從業經驗和公司經驗豐富的FAE團隊,我們為客戶提供優質的產品和全方位的服務。
我們的產品廣泛應用于智能機器人、無線充、移動電源、無人機、安防監控、車載導航、行車記錄、暖手寶、補水儀、玩具等領域,以卓越的性能和穩定的品質贏得了客戶的廣泛贊譽。無論是產品的性能還是服務的質量,我們都力求做到最好,以滿足客戶不斷變化的需求。
百盛新紀元秉持倉儲式的經營理念,以誠信、感恩、服務為宗旨,致力于為客戶提供多元化、全方位的優質服務。我們深知,只有真正站在客戶的角度思考問題,才能贏得客戶的信賴和支持。因此,我們始終堅持用心服務,用心傾聽,用心滿足客戶的每一個需求。

PL4054 單片具有熱調節功能的微型線性電池管理芯片
詳情
產品概述
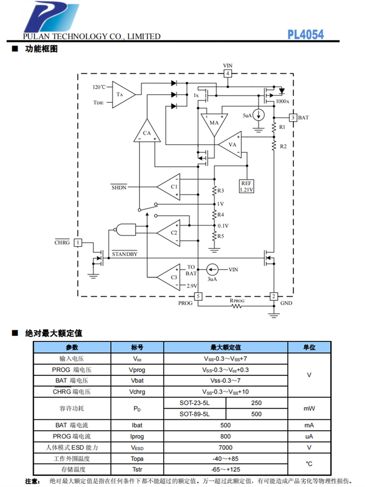
PL4054 是一個完善的單片鋰離子電池恒流/恒壓線形電源管理芯片。它薄的尺寸和小的外包裝使它適用于便攜式產品的應用。更值得一提的是,PL4054 專門設計適用于 USB的供電規格。得益于內部的 MOSFET 結構,在應用上不需要外部電阻和阻塞二極管。在高能量運行和高外圍溫度時,熱反饋可以控制充電電流以降低芯片溫度。
充電電壓被限定在 4.2V,充電電流通過外部電阻調節。在達到目標充電電壓后,當充電電流降低到設定值的 1/10時,PL4054 就會自動結束充電過程。當輸入端(插頭或 USB提供電源)拔掉后,PL4054 自動進入低電流狀態,電池漏電流將降到 2μA 以下。PL4054 還可被設置于停止工作狀態,使電源供電電流降到 25μA。
其余特性包括:充電電流監測,輸入低電壓閉鎖,自動重新充電和充電已滿及開始充電的標志。
產品特點
? 可編程使充電電流可達 500mA.
? 不需要 MOSFET,傳感電阻和阻塞二極管
? 小尺寸實現對鋰離子電池的完全線性充電管理
? 恒流/恒壓運行和熱度調節使得電池管理效力最高,沒有熱度過高的危險
? 從 USB 接口管理單片鋰離子電池
? 預設充電電壓為 4.2V ?1%
? 充電電流輸出監測
? 充電狀態指示標志
? 1/10 充電電流終止
? 停止工作時提供 25μA 電流
? 2.9V 涓流充電閾值電壓
? 軟啟動限制浪涌電流
? ESD(HBM)>7KV
用途
? 手機,PDA,MP3
? 藍牙應用
封裝
PL4054 是一個完善的單片鋰離子電池恒流/恒壓線形電源管理芯片。它薄的尺寸和小的外包裝使它適用于便攜式產品的應用。更值得一提的是,PL4054 專門設計適用于 USB的供電規格。得益于內部的 MOSFET 結構,在應用上不需要外部電阻和阻塞二極管。在高能量運行和高外圍溫度時,熱反饋可以控制充電電流以降低芯片溫度。
充電電壓被限定在 4.2V,充電電流通過外部電阻調節。在達到目標充電電壓后,當充電電流降低到設定值的 1/10時,PL4054 就會自動結束充電過程。當輸入端(插頭或 USB提供電源)拔掉后,PL4054 自動進入低電流狀態,電池漏電流將降到 2μA 以下。PL4054 還可被設置于停止工作狀態,使電源供電電流降到 25μA。
其余特性包括:充電電流監測,輸入低電壓閉鎖,自動重新充電和充電已滿及開始充電的標志。
產品特點
? 可編程使充電電流可達 500mA.
? 不需要 MOSFET,傳感電阻和阻塞二極管
? 小尺寸實現對鋰離子電池的完全線性充電管理
? 恒流/恒壓運行和熱度調節使得電池管理效力最高,沒有熱度過高的危險
? 從 USB 接口管理單片鋰離子電池
? 預設充電電壓為 4.2V ?1%
? 充電電流輸出監測
? 充電狀態指示標志
? 1/10 充電電流終止
? 停止工作時提供 25μA 電流
? 2.9V 涓流充電閾值電壓
? 軟啟動限制浪涌電流
? ESD(HBM)>7KV
用途
? 手機,PDA,MP3
? 藍牙應用
封裝
? SOT-23-5L
聯系我們(公司至今已銷售IC十五年)
深圳市百盛新紀元半導體有限公司
鄭曉曉
2851339680
13534212799 / 0755-6130 3950
郵箱:Parkson@szparkson.net
公司:深圳市福田區華強北賽格廣場24樓2405A
Update Required
To play the media you will need to either update your browser to a recent version or update your Flash plugin.