十一年優秀供應商
深圳市百盛新紀元半導體有限公司,自成立以來,始終堅守誠信為本的原則,專注于半導體領域的技術創新與服務提升。我們專注于DC-DC升壓轉換芯片、降壓轉換芯片、MOS場效應管、LDO穩壓芯片、鋰電池充電管理芯片、鋰電池保護系統芯片、過壓過流保護芯片、電壓檢測芯片的研發與銷售,憑借多年的半導體銷售從業經驗和公司經驗豐富的FAE團隊,我們為客戶提供優質的產品和全方位的服務。
我們的產品廣泛應用于智能機器人、無線充、移動電源、無人機、安防監控、車載導航、行車記錄、暖手寶、補水儀、玩具等領域,以卓越的性能和穩定的品質贏得了客戶的廣泛贊譽。無論是產品的性能還是服務的質量,我們都力求做到最好,以滿足客戶不斷變化的需求。
百盛新紀元秉持倉儲式的經營理念,以誠信、感恩、服務為宗旨,致力于為客戶提供多元化、全方位的優質服務。我們深知,只有真正站在客戶的角度思考問題,才能贏得客戶的信賴和支持。因此,我們始終堅持用心服務,用心傾聽,用心滿足客戶的每一個需求。

PL2733C SOP-8 同步降壓電源管理芯片
詳情
概述
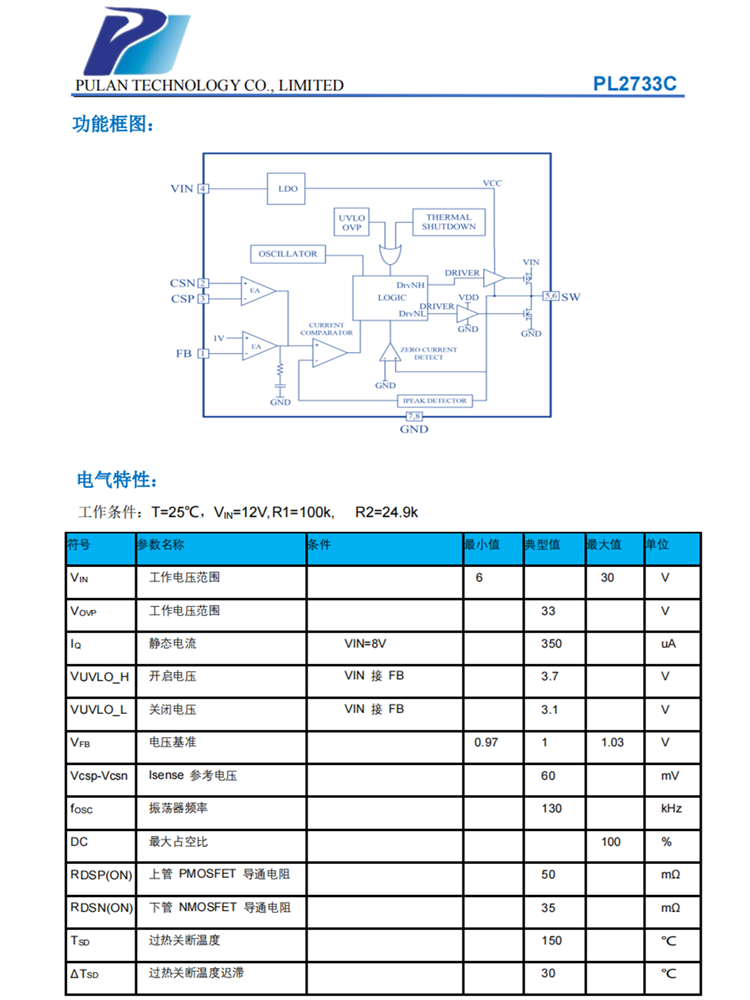
PL2733C 是支持高電壓輸入的同步降壓電源管理芯片,在 6~30V 的寬輸入電壓范圍內可實現 3A 的連續電流輸出。通過調節 FB 端口的分壓電阻,可以輸出 1.8V 到 28V 的穩定電壓。PL2733C 具有優秀的恒壓/恒流(CC/CV)特性。PL2733C 采用電流模式的環路控制原理,實現了快速的動態響應。
PL2733C 工作開關頻率為 130kHz,具有良好的 EMI 特性。 PL2733C 內置線電壓補償,可通過調節 FB 端口的分壓電阻阻值來實現。
PL2733C 包含多重保護功能:過溫保護,輸出短路保護和輸入欠壓/ 過壓保護等。PL2733C采用 SOP8 的標準封裝。
特性
? 寬輸入電壓范圍: 6V 至 30V
? 寬輸出電壓范圍: 1.8V 至 28V
? 效率可高達 92%以上
? 超高恒流精度: ±5%
? 恒壓精度: ±5%
? 無需外部補償
? 開關頻率: 130kHz
? 輸入欠壓/過壓、 輸出短路和過熱保護
? SOP-8 封裝
應用范圍
? 車載充電器/適配器
? 線性調節前置穩壓器
? 分布式供電系統
PL2733C 是支持高電壓輸入的同步降壓電源管理芯片,在 6~30V 的寬輸入電壓范圍內可實現 3A 的連續電流輸出。通過調節 FB 端口的分壓電阻,可以輸出 1.8V 到 28V 的穩定電壓。PL2733C 具有優秀的恒壓/恒流(CC/CV)特性。PL2733C 采用電流模式的環路控制原理,實現了快速的動態響應。
PL2733C 工作開關頻率為 130kHz,具有良好的 EMI 特性。 PL2733C 內置線電壓補償,可通過調節 FB 端口的分壓電阻阻值來實現。
PL2733C 包含多重保護功能:過溫保護,輸出短路保護和輸入欠壓/ 過壓保護等。PL2733C采用 SOP8 的標準封裝。
特性
? 寬輸入電壓范圍: 6V 至 30V
? 寬輸出電壓范圍: 1.8V 至 28V
? 效率可高達 92%以上
? 超高恒流精度: ±5%
? 恒壓精度: ±5%
? 無需外部補償
? 開關頻率: 130kHz
? 輸入欠壓/過壓、 輸出短路和過熱保護
? SOP-8 封裝
應用范圍
? 車載充電器/適配器
? 線性調節前置穩壓器
? 分布式供電系統
? 電池充電器
聯系我們(公司至今已銷售IC十五年)
深圳市百盛新紀元半導體有限公司
鄭曉曉
2851339680
13534212799 / 0755-6130 3950
郵箱:Parkson@szparkson.net
公司:深圳市福田區華強北賽格廣場24樓2405A
Update Required
To play the media you will need to either update your browser to a recent version or update your Flash plugin.