十一年優秀供應商
深圳市百盛新紀元半導體有限公司,自成立以來,始終堅守誠信為本的原則,專注于半導體領域的技術創新與服務提升。我們專注于DC-DC升壓轉換芯片、降壓轉換芯片、MOS場效應管、LDO穩壓芯片、鋰電池充電管理芯片、鋰電池保護系統芯片、過壓過流保護芯片、電壓檢測芯片的研發與銷售,憑借多年的半導體銷售從業經驗和公司經驗豐富的FAE團隊,我們為客戶提供優質的產品和全方位的服務。
我們的產品廣泛應用于智能機器人、無線充、移動電源、無人機、安防監控、車載導航、行車記錄、暖手寶、補水儀、玩具等領域,以卓越的性能和穩定的品質贏得了客戶的廣泛贊譽。無論是產品的性能還是服務的質量,我們都力求做到最好,以滿足客戶不斷變化的需求。
百盛新紀元秉持倉儲式的經營理念,以誠信、感恩、服務為宗旨,致力于為客戶提供多元化、全方位的優質服務。我們深知,只有真正站在客戶的角度思考問題,才能贏得客戶的信賴和支持。因此,我們始終堅持用心服務,用心傾聽,用心滿足客戶的每一個需求。
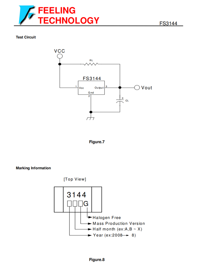
FS3144 SIP3L封裝 單霍爾效應鎖存器芯片
詳情
特征
寬工作電壓范圍: 3.0V至28V
最大輸出匯電流50mA
開放集電器預驅動器
電源反向極性保護
可用在SIP-3L包
一般說明
FS3144是一個集成的霍爾效應鎖存傳感器,設計用于無刷直流電機的電子換相應用。該設備包括一個用于磁傳感的片上霍爾電壓發生器,一個放大霍爾電壓的比較器,以及一個用于為噪聲抑制提供開關滯后的施密特觸發器,以及開集電極輸出。一個內部帶隙調節器用于為內部電路提供溫度補償的電源電壓,并允許一個廣泛的工作電源范圍。
寬工作電壓范圍: 3.0V至28V
最大輸出匯電流50mA
開放集電器預驅動器
電源反向極性保護
可用在SIP-3L包
一般說明
FS3144是一個集成的霍爾效應鎖存傳感器,設計用于無刷直流電機的電子換相應用。該設備包括一個用于磁傳感的片上霍爾電壓發生器,一個放大霍爾電壓的比較器,以及一個用于為噪聲抑制提供開關滯后的施密特觸發器,以及開集電極輸出。一個內部帶隙調節器用于為內部電路提供溫度補償的電源電壓,并允許一個廣泛的工作電源范圍。
具有足夠強度的北極將打開輸出。在沒有磁場的情況下,輸出為關閉。





聯系我們(公司至今已銷售IC十五年)

深圳市百盛新紀元半導體有限公司
鄭曉曉
2851339680
13534212799 / 0755-6130 3950
郵箱:Parkson@szparkson.net
公司:深圳市福田區華強北賽格廣場24樓2405A
Update Required
To play the media you will need to either update your browser to a recent version or update your Flash plugin.