十一年優秀供應商
深圳市百盛新紀元半導體有限公司,自成立以來,始終堅守誠信為本的原則,專注于半導體領域的技術創新與服務提升。我們專注于DC-DC升壓轉換芯片、降壓轉換芯片、MOS場效應管、LDO穩壓芯片、鋰電池充電管理芯片、鋰電池保護系統芯片、過壓過流保護芯片、電壓檢測芯片的研發與銷售,憑借多年的半導體銷售從業經驗和公司經驗豐富的FAE團隊,我們為客戶提供優質的產品和全方位的服務。
我們的產品廣泛應用于智能機器人、無線充、移動電源、無人機、安防監控、車載導航、行車記錄、暖手寶、補水儀、玩具等領域,以卓越的性能和穩定的品質贏得了客戶的廣泛贊譽。無論是產品的性能還是服務的質量,我們都力求做到最好,以滿足客戶不斷變化的需求。
百盛新紀元秉持倉儲式的經營理念,以誠信、感恩、服務為宗旨,致力于為客戶提供多元化、全方位的優質服務。我們深知,只有真正站在客戶的角度思考問題,才能贏得客戶的信賴和支持。因此,我們始終堅持用心服務,用心傾聽,用心滿足客戶的每一個需求。
FR9889SPCTR SOP-8 23V、3A、340KHz同步降壓DC/DC轉換器
詳情
概述
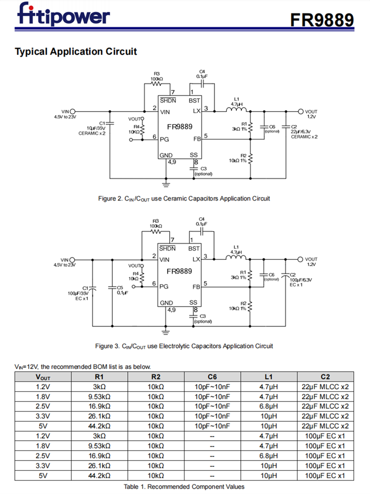
FR9889是一個同步降壓DC/DC轉換器,提供廣泛的4.5V到23V輸入電壓范圍和3A連續負載電流能力。在輕負荷條件下,FR9889可以在省電模式下工作,以支持高效率和減少功率損耗。
FR9889故障保護包括逐循環電流限制、UVLO、輸出過電壓保護和熱停機。軟啟動功能防止開啟時涌電流。該裝置采用電流模式控制方案,提供快速的瞬態響應。內部補償功能減少了外部補償組件,簡化了設計過程。在關機模式下,供電電流約為1μA。
FR9889可在SOP-8暴露墊包,提供良好的熱導。
特征
低RDS(開)集成功率MOSFET(120mΩ /100mΩ)
內部補償功能
內部功率良好功能
寬輸入電壓范圍: 4.5V到23V
可調輸出電壓降至0.925V
3A輸出電流
340kHz開關頻率
外部可編程軟啟動或內部600μs軟啟動
循環-循環電流限制
過溫保護與自動恢復
OVP,UVLO
彎頭短路保護
SOP-8暴露墊包
應用
STB(機頂盒)
液晶顯示器,電視
分布式電源系統
FR9889是一個同步降壓DC/DC轉換器,提供廣泛的4.5V到23V輸入電壓范圍和3A連續負載電流能力。在輕負荷條件下,FR9889可以在省電模式下工作,以支持高效率和減少功率損耗。
FR9889故障保護包括逐循環電流限制、UVLO、輸出過電壓保護和熱停機。軟啟動功能防止開啟時涌電流。該裝置采用電流模式控制方案,提供快速的瞬態響應。內部補償功能減少了外部補償組件,簡化了設計過程。在關機模式下,供電電流約為1μA。
FR9889可在SOP-8暴露墊包,提供良好的熱導。
特征
低RDS(開)集成功率MOSFET(120mΩ /100mΩ)
內部補償功能
內部功率良好功能
寬輸入電壓范圍: 4.5V到23V
可調輸出電壓降至0.925V
3A輸出電流
340kHz開關頻率
外部可編程軟啟動或內部600μs軟啟動
循環-循環電流限制
過溫保護與自動恢復
OVP,UVLO
彎頭短路保護
SOP-8暴露墊包
應用
STB(機頂盒)
液晶顯示器,電視
分布式電源系統
網絡,XDSL調制解調器





聯系我們(公司至今已銷售IC十五年)

深圳市百盛新紀元半導體有限公司
鄭曉曉
2851339680
13534212799 / 0755-6130 3950
郵箱:Parkson@szparkson.net
公司:深圳市福田區華強北賽格廣場24樓2405A
Update Required
To play the media you will need to either update your browser to a recent version or update your Flash plugin.