十一年優秀供應商
深圳市百盛新紀元半導體有限公司,自成立以來,始終堅守誠信為本的原則,專注于半導體領域的技術創新與服務提升。我們專注于DC-DC升壓轉換芯片、降壓轉換芯片、MOS場效應管、LDO穩壓芯片、鋰電池充電管理芯片、鋰電池保護系統芯片、過壓過流保護芯片、電壓檢測芯片的研發與銷售,憑借多年的半導體銷售從業經驗和公司經驗豐富的FAE團隊,我們為客戶提供優質的產品和全方位的服務。
我們的產品廣泛應用于智能機器人、無線充、移動電源、無人機、安防監控、車載導航、行車記錄、暖手寶、補水儀、玩具等領域,以卓越的性能和穩定的品質贏得了客戶的廣泛贊譽。無論是產品的性能還是服務的質量,我們都力求做到最好,以滿足客戶不斷變化的需求。
百盛新紀元秉持倉儲式的經營理念,以誠信、感恩、服務為宗旨,致力于為客戶提供多元化、全方位的優質服務。我們深知,只有真正站在客戶的角度思考問題,才能贏得客戶的信賴和支持。因此,我們始終堅持用心服務,用心傾聽,用心滿足客戶的每一個需求。
FR9850F SOT23-6 2A同步降壓芯片 DC-DC轉換器 百盛電子代理商
詳情
一般說明
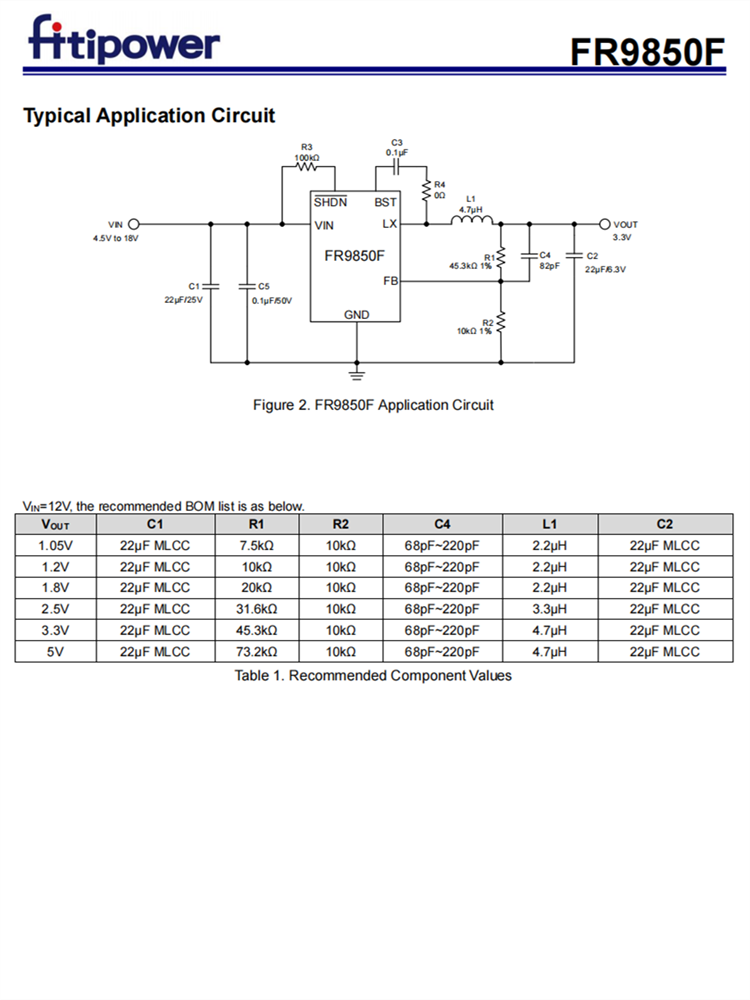
FR9850F是一種同步降壓DC/DC轉換器,具有快速常數對時間(FCOT)模式控制。該裝置提供4.5V至18V的輸入電壓范圍和2A的連續負載電流能力。它是恒定的時間脈寬調制(PWM)控制器,支持FCOT模式控制。工作頻率取決于輸入和輸出電壓條件。
FR9850F故障保護包括逐循環電流限制、短路保護、UVLO和熱停機。軟啟動功能防止開啟時涌電流。FR9850F采用快速常數的時間控制,提供快速的瞬態響應,抗噪聲性和各種非常低的ESR輸出電容器,以確保性能穩定。
特征
?低RDS(開)集成功率MOSFET(145mΩ/90mΩ)
?寬輸入電壓范圍: 4.5V到18V
?輸出電壓范圍: 0.6V到8V
?2A輸出電流
?FCOT模式使快速瞬態響應
?偽850 kHz頻率
?輸入電壓鎖定
?內部1.5 ms軟啟動
?循環電流限制
?Hiccup短路保護
?溫度保護與自動恢復
?SOT-23-6包
應用
?STB(機頂盒)
?液晶顯示器,電視
?分布式電源系統
FR9850F是一種同步降壓DC/DC轉換器,具有快速常數對時間(FCOT)模式控制。該裝置提供4.5V至18V的輸入電壓范圍和2A的連續負載電流能力。它是恒定的時間脈寬調制(PWM)控制器,支持FCOT模式控制。工作頻率取決于輸入和輸出電壓條件。
FR9850F故障保護包括逐循環電流限制、短路保護、UVLO和熱停機。軟啟動功能防止開啟時涌電流。FR9850F采用快速常數的時間控制,提供快速的瞬態響應,抗噪聲性和各種非常低的ESR輸出電容器,以確保性能穩定。
FR9850F采用SOT-23-6封裝,提供良好的導熱性。
特征
?低RDS(開)集成功率MOSFET(145mΩ/90mΩ)
?寬輸入電壓范圍: 4.5V到18V
?輸出電壓范圍: 0.6V到8V
?2A輸出電流
?FCOT模式使快速瞬態響應
?偽850 kHz頻率
?輸入電壓鎖定
?內部1.5 ms軟啟動
?循環電流限制
?Hiccup短路保護
?溫度保護與自動恢復
?SOT-23-6包
應用
?STB(機頂盒)
?液晶顯示器,電視
?分布式電源系統
?網絡,XDSL調制解調器





聯系我們(公司至今已銷售IC十五年)

深圳市百盛新紀元半導體有限公司
鄭曉曉
3530216696
13534212799 / 0755-82570180
郵箱:Parkson@szparkson.net
公司:深圳市福田區華強北賽格廣場24樓2405A
Update Required
To play the media you will need to either update your browser to a recent version or update your Flash plugin.