十一年優秀供應商
深圳市百盛新紀元半導體有限公司,自成立以來,始終堅守誠信為本的原則,專注于半導體領域的技術創新與服務提升。我們專注于DC-DC升壓轉換芯片、降壓轉換芯片、MOS場效應管、LDO穩壓芯片、鋰電池充電管理芯片、鋰電池保護系統芯片、過壓過流保護芯片、電壓檢測芯片的研發與銷售,憑借多年的半導體銷售從業經驗和公司經驗豐富的FAE團隊,我們為客戶提供優質的產品和全方位的服務。
我們的產品廣泛應用于智能機器人、無線充、移動電源、無人機、安防監控、車載導航、行車記錄、暖手寶、補水儀、玩具等領域,以卓越的性能和穩定的品質贏得了客戶的廣泛贊譽。無論是產品的性能還是服務的質量,我們都力求做到最好,以滿足客戶不斷變化的需求。
百盛新紀元秉持倉儲式的經營理念,以誠信、感恩、服務為宗旨,致力于為客戶提供多元化、全方位的優質服務。我們深知,只有真正站在客戶的角度思考問題,才能贏得客戶的信賴和支持。因此,我們始終堅持用心服務,用心傾聽,用心滿足客戶的每一個需求。
FP7721BX2 集成式開關雙通道充油泵
詳情
概述
FP7721BX2是一種針對中小尺寸薄膜晶體管(TFT)液晶顯示器(LCD的)進行優化的集成電源解決方案。主要用于智能手機和平板電腦液晶面板的驅動IC。
正電荷泵有一個內部開關,通常可以支持在VCI=3.3V下高達100 mA的輸出電流。
負電荷泵有一個內部開關,可以產生-1比的VSN,通常可以支持在VCI=3.3V下高達100 mA的輸出電流。
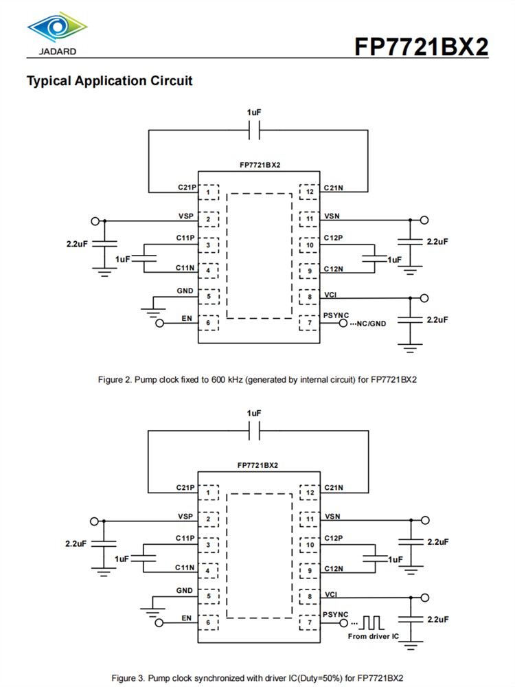
泵時鐘可以與來自驅動器IC的外部信號同步,也可以通過固定到600 kHz的內部電路產生。
FP7721BX2有一個薄的12針2.4x1.5 mm UTDFN綠色包裝。
特征
?2.5 V至4.8V輸入電源
?產生兩個輸出電壓,正電壓(VSP)和-1比負電壓(VSN)
?僅5個外部電容器
?UTDFN-12(2.4mmx1.5mm)暴露墊包
應用
FP7721BX2是一種針對中小尺寸薄膜晶體管(TFT)液晶顯示器(LCD的)進行優化的集成電源解決方案。主要用于智能手機和平板電腦液晶面板的驅動IC。
正電荷泵有一個內部開關,通常可以支持在VCI=3.3V下高達100 mA的輸出電流。
負電荷泵有一個內部開關,可以產生-1比的VSN,通常可以支持在VCI=3.3V下高達100 mA的輸出電流。
泵時鐘可以與來自驅動器IC的外部信號同步,也可以通過固定到600 kHz的內部電路產生。
FP7721BX2有一個薄的12針2.4x1.5 mm UTDFN綠色包裝。
特征
?2.5 V至4.8V輸入電源
?產生兩個輸出電壓,正電壓(VSP)和-1比負電壓(VSN)
?僅5個外部電容器
?UTDFN-12(2.4mmx1.5mm)暴露墊包
應用
?TFT液晶顯示屏為智能手機和平板電腦液晶面板的驅動IC





聯系我們(公司至今已銷售IC十五年)

深圳市百盛新紀元半導體有限公司
鄭曉曉
2851339680
13534212799 / 0755-6130 3950
郵箱:Parkson@szparkson.net
公司:深圳市福田區華強北賽格廣場24樓2405A
Update Required
To play the media you will need to either update your browser to a recent version or update your Flash plugin.