十一年優秀供應商
深圳市百盛新紀元半導體有限公司,自成立以來,始終堅守誠信為本的原則,專注于半導體領域的技術創新與服務提升。我們專注于DC-DC升壓轉換芯片、降壓轉換芯片、MOS場效應管、LDO穩壓芯片、鋰電池充電管理芯片、鋰電池保護系統芯片、過壓過流保護芯片、電壓檢測芯片的研發與銷售,憑借多年的半導體銷售從業經驗和公司經驗豐富的FAE團隊,我們為客戶提供優質的產品和全方位的服務。
我們的產品廣泛應用于智能機器人、無線充、移動電源、無人機、安防監控、車載導航、行車記錄、暖手寶、補水儀、玩具等領域,以卓越的性能和穩定的品質贏得了客戶的廣泛贊譽。無論是產品的性能還是服務的質量,我們都力求做到最好,以滿足客戶不斷變化的需求。
百盛新紀元秉持倉儲式的經營理念,以誠信、感恩、服務為宗旨,致力于為客戶提供多元化、全方位的優質服務。我們深知,只有真正站在客戶的角度思考問題,才能贏得客戶的信賴和支持。因此,我們始終堅持用心服務,用心傾聽,用心滿足客戶的每一個需求。
FP6392 TDFN-10 高效1MHz 3.5A輸出 同步降壓DC-DC調節器 代理商
詳情
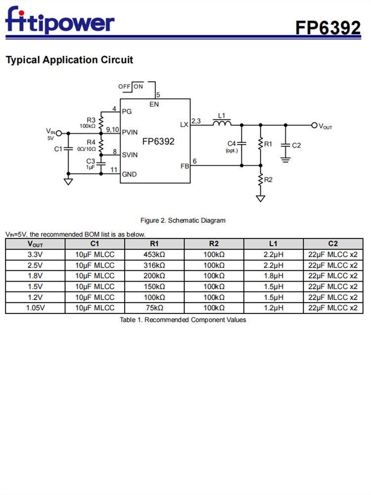
FP6392高效1MHz 3.5A同步降壓調節器是一款具有高性能和緊湊設計的電源管理器件。它的主要優勢在于能夠在高頻率下實現高效的電壓轉換,同時保持低輸出紋波和較小的外部組件尺寸,使得它在現代電子設備中具有廣泛的應用前景。
從技術規格來看,FP6392的輸入電壓范圍廣泛,可以從2.7V到6V,使其能夠適應多種不同的電源環境。同時,它具有高達3.5A的輸出電流能力,滿足了高功率應用的需求。此外,通過內部補償功能,FP6392能夠穩定輸出電壓,并提供精確的電壓調節。
FP6392的開關頻率高達1MHz,這使得它能夠實現低輸出電壓紋波,同時減小了外部電感和電容器的尺寸。這一特點使得FP6392在追求高效能和小型化的電子設備中尤其受歡迎。
在應用方面,FP6392的廣泛適用性使其能夠用于機頂盒、液晶電視、平板電腦和便攜式設備等多種場景。無論是家庭娛樂設備還是移動電子設備,FP6392都能提供穩定可靠的電源管理解決方案。
此外,FP6392還具有多種保護功能,如內部軟啟動限制輸入電流、超溫保護自動恢復和循環電流限制等,這些功能確保了電源的穩定性和安全性。同時,它符合RoHS兼容和無鹵素要求,符合環保標準。
從技術規格來看,FP6392的輸入電壓范圍廣泛,可以從2.7V到6V,使其能夠適應多種不同的電源環境。同時,它具有高達3.5A的輸出電流能力,滿足了高功率應用的需求。此外,通過內部補償功能,FP6392能夠穩定輸出電壓,并提供精確的電壓調節。
FP6392的開關頻率高達1MHz,這使得它能夠實現低輸出電壓紋波,同時減小了外部電感和電容器的尺寸。這一特點使得FP6392在追求高效能和小型化的電子設備中尤其受歡迎。
在應用方面,FP6392的廣泛適用性使其能夠用于機頂盒、液晶電視、平板電腦和便攜式設備等多種場景。無論是家庭娛樂設備還是移動電子設備,FP6392都能提供穩定可靠的電源管理解決方案。
此外,FP6392還具有多種保護功能,如內部軟啟動限制輸入電流、超溫保護自動恢復和循環電流限制等,這些功能確保了電源的穩定性和安全性。同時,它符合RoHS兼容和無鹵素要求,符合環保標準。
綜上所述,FP6392高效1MHz 3.5A同步降壓調節器是一款性能卓越、設計緊湊的電源管理器件。它的高效能、小尺寸和廣泛的應用范圍使其成為現代電子設備中不可或缺的重要組件。





聯系我們(公司至今已銷售IC十五年)

深圳市百盛新紀元半導體有限公司
鄭曉曉
2851339680
13534212799 / 0755-6130 3950
郵箱:Parkson@szparkson.net
公司:深圳市福田區華強北賽格廣場24樓2405A
Update Required
To play the media you will need to either update your browser to a recent version or update your Flash plugin.