深圳市百盛新紀元半導體有限公司,自成立以來,始終堅守誠信為本的原則,專注于半導體領域的技術創新與服務提升。我們專注于DC-DC升壓轉換芯片、降壓轉換芯片、MOS場效應管、LDO穩壓芯片、鋰電池充電管理芯片、鋰電池保護系統芯片、過壓過流保護芯片、電壓檢測芯片的研發與銷售,憑借多年的半導體銷售從業經驗和公司經驗豐富的FAE團隊,我們為客戶提供優質的產品和全方位的服務。
我們的產品廣泛應用于智能機器人、無線充、移動電源、無人機、安防監控、車載導航、行車記錄、暖手寶、補水儀、玩具等領域,以卓越的性能和穩定的品質贏得了客戶的廣泛贊譽。無論是產品的性能還是服務的質量,我們都力求做到最好,以滿足客戶不斷變化的需求。
百盛新紀元秉持倉儲式的經營理念,以誠信、感恩、服務為宗旨,致力于為客戶提供多元化、全方位的優質服務。我們深知,只有真正站在客戶的角度思考問題,才能贏得客戶的信賴和支持。因此,我們始終堅持用心服務,用心傾聽,用心滿足客戶的每一個需求。
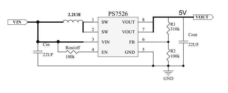
3.7V升壓5V2A,鋰電池升壓5V2.4A方案-PS7526
詳情
PS7526 demo 2.4A測試數據:
輸入電壓 輸入電流 輸出電壓 輸出電流 效率
3.50V 3.84A 4.95V 2.4A 88.5%
3.70V 3.54A 4.95V 2.4A 90.7%
4.10V 3.13A 4.96V 2.4A 92.5%
PS7526 demo 2.1A測試數據:
輸入電壓 輸入電流 輸出電壓 輸出電流 效率
3.50V 3.25A 4.94V 2.1A 91.2%
3.70V 3.04A 4.94V 2.1A 92.2%
4.10V 2.71A 4.94V 2.1A 93.3%


移動電源升壓IC
移動電源5V 500MA升壓IC
移動電源5V 800MA升壓IC
移動電源5V1A升壓IC
移動電源5V1.2A升壓IC
移動電源5V1.5A升壓IC
移動電源5V1.8A升壓IC
移動電源5V2A升壓IC
移動電源5V2.1A升壓IC
移動電源5V2.4A升壓IC
移動電源5V3A升壓IC
鋰電池升壓IC
鋰電池升壓輸出5V 500MA
鋰電池升壓輸出5V 800MA
鋰電池升壓輸出5V 1A
鋰電池升壓輸出5V 1.2A
鋰電池升壓輸出5V 1.5A
鋰電池升壓輸出5V 1.8A
鋰電池升壓輸出5V 2A
鋰電池升壓輸出5V 2.1A
鋰電池升壓輸出5V 2.4A
鋰電池升壓輸出5V 3A
3.7V升壓IC
3.7V升壓輸出5V 500MA
3.7V升壓輸出5V 800MA
3.7V升壓輸出5V 1A
3.7V升壓輸出5V 1.2A
3.7V升壓輸出5V 1.5A
3.7V升壓輸出5V 1.8A
3.7V升壓輸出5V 2A
3.7V升壓輸出5V 2.1A
3.7V升壓輸出5V 2.4A
3.7V升壓輸出5V 3A
3.3V升壓IC
3.3V升壓輸出5V 500MA
3.3V升壓輸出5V 800MA
3.3V升壓輸出5V 1A
3.3V升壓輸出5V 1.2A
3.3V升壓輸出5V 1.5A
3.3V升壓輸出5V 1.8A
3.3V升壓輸出5V 2A
3.3V升壓輸出5V 2.1A
3.3V升壓輸出5V 2.4A
3.3V升壓輸出5V 3A
9V轉5V,12V轉5V ,24V轉5V,24V轉12V同步整流降壓IC
9V轉5V1A ,12V轉5V1A,24V轉5V1A,24V轉12V1A
9V轉5V2A ,12V轉5V2A,24V轉5V2A,24V轉12V1A
9V轉5V3A ,12V轉5V3A,24V轉5V3A,24V轉12V1A
9V轉5V2.1A ,12V轉5V2.1A,24V轉5V2.1A
9V轉5V2.4A ,12V轉5V2.4A,24V轉5V2.4A

深圳市百盛新紀元半導體有限公司
鄭曉曉
2851339680
13534212799 / 0755-6130 3950
郵箱:Parkson@szparkson.net
公司:深圳市福田區華強北賽格廣場24樓2405A