深圳市百盛新紀元半導體有限公司,自成立以來,始終堅守誠信為本的原則,專注于半導體領域的技術創新與服務提升。我們專注于DC-DC升壓轉換芯片、降壓轉換芯片、MOS場效應管、LDO穩壓芯片、鋰電池充電管理芯片、鋰電池保護系統芯片、過壓過流保護芯片、電壓檢測芯片的研發與銷售,憑借多年的半導體銷售從業經驗和公司經驗豐富的FAE團隊,我們為客戶提供優質的產品和全方位的服務。
我們的產品廣泛應用于智能機器人、無線充、移動電源、無人機、安防監控、車載導航、行車記錄、暖手寶、補水儀、玩具等領域,以卓越的性能和穩定的品質贏得了客戶的廣泛贊譽。無論是產品的性能還是服務的質量,我們都力求做到最好,以滿足客戶不斷變化的需求。
百盛新紀元秉持倉儲式的經營理念,以誠信、感恩、服務為宗旨,致力于為客戶提供多元化、全方位的優質服務。我們深知,只有真正站在客戶的角度思考問題,才能贏得客戶的信賴和支持。因此,我們始終堅持用心服務,用心傾聽,用心滿足客戶的每一個需求。
鋰電池3.7V升壓轉9V2A,鋰電池3.7V升壓轉12V1A芯片
詳情
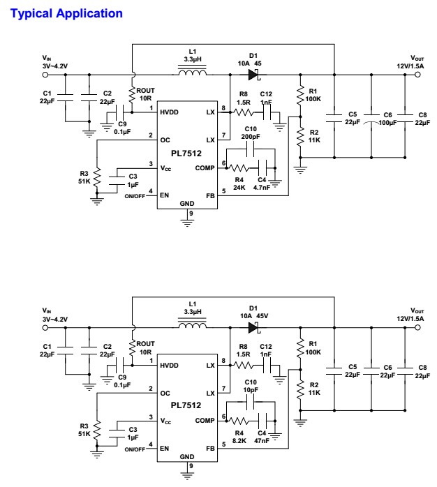
PL7512適用于鋰電池升壓9V1.5A實際應用,PL7512適用于鋰電池升壓12V1A實際應用;
PL7512適用于3.7V升壓轉9V1.5A實際應用,PL7512適用于3.7V升壓轉12V1A實際應用。
PL7512是顆DC-DC升壓轉化器,內置15mΩ超低內阻的功率MOS管,使PL7512提供更高的升壓轉換效率,1.2V的精密基準電壓。PL7512采用SOP8封裝,底部加散熱片,可節省PCB空間。
特點:
寬范圍工作電壓:2.7V~12V
可調輸出電壓到13V
PWM固定頻率:140KHZ
內置14V 10A,15mΩ功率MOS
關斷電流:最大1μA
過溫保護
內置軟啟動
可調過流保護:1A ~10A
封裝:SOP8


PL7512輸入電壓范圍寬,常使用于鋰電池或者5V輸入,升壓輸出9V2A或者12V1.5A的應用中。特別是搭配FP6601Q,組成QC3.0快充輸出電路。例如:5V輸入時,搭配FP6601Q,可適用于多口的QC3.0快充充電器,排插等。


深圳市百盛新紀元半導體有限公司
鄭曉曉
2851339680
13534212799 / 0755-6130 3950
郵箱:Parkson@szparkson.net
公司:深圳市福田區華強北賽格廣場24樓2405A