深圳市百盛新紀元半導體有限公司,自成立以來,始終堅守誠信為本的原則,專注于半導體領域的技術創新與服務提升。我們專注于DC-DC升壓轉換芯片、降壓轉換芯片、MOS場效應管、LDO穩壓芯片、鋰電池充電管理芯片、鋰電池保護系統芯片、過壓過流保護芯片、電壓檢測芯片的研發與銷售,憑借多年的半導體銷售從業經驗和公司經驗豐富的FAE團隊,我們為客戶提供優質的產品和全方位的服務。
我們的產品廣泛應用于智能機器人、無線充、移動電源、無人機、安防監控、車載導航、行車記錄、暖手寶、補水儀、玩具等領域,以卓越的性能和穩定的品質贏得了客戶的廣泛贊譽。無論是產品的性能還是服務的質量,我們都力求做到最好,以滿足客戶不斷變化的需求。
百盛新紀元秉持倉儲式的經營理念,以誠信、感恩、服務為宗旨,致力于為客戶提供多元化、全方位的優質服務。我們深知,只有真正站在客戶的角度思考問題,才能贏得客戶的信賴和支持。因此,我們始終堅持用心服務,用心傾聽,用心滿足客戶的每一個需求。
500MA鋰電池充電IC,PL5057帶電池接反功能
詳情
| 深圳市百盛新紀元半導體有限公司介紹: |
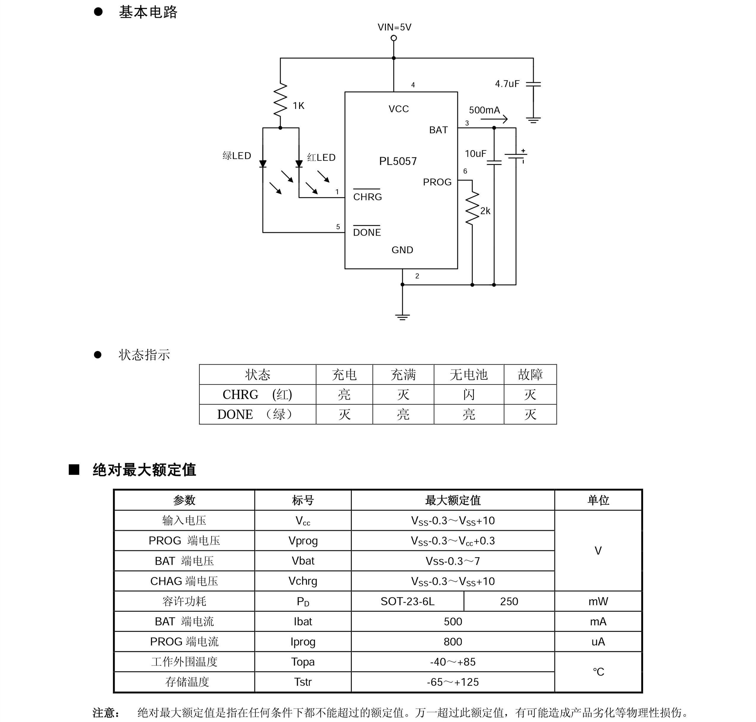
PL5057是單節鋰電池500MA充電IC; 適合USB輸入電壓; 帶電池接反保護功能; 雙指示燈,SOT23-6封裝。 |
導向: (導向型號,均可在我們公司網站查到相關介紹) |
如果需要充電電流600MA左右,可以看PL4054,單指示燈,SPT23-5封裝; 如果需要充電電流1A, 可以看PL4056,雙指示燈,SOP8封裝; 如果需要充電電流2A~3A, 可以看PL7203,雙指示燈,SOP8封裝。
|





- PL5057規格書.pdf 5510MD5

深圳市百盛新紀元半導體有限公司
鄭曉曉
2851339680
13534212799 / 0755-6130 3950
郵箱:Parkson@szparkson.net
公司:深圳市福田區華強北賽格廣場24樓2405A